Good Site
products navigation  
Home   |   About us   |    Products   |   Main Market   |   Contact us
    Service Contact
  Email: sales5@fiberer.com
  Wechat: contact Fiberer  josieHe501
contact Fiberer  chxm888
  Tel: +86-755-8695-1926
  : +86-755-8621-1558

   Welcome to contact us,
   your any info is our honour...
      
1X1 Mechanical Optical Switch
Name:

1X1 Mechanical Optical Switch

Class:
Optical Switches
Type:
1X1 Mechanical Optical Switch
1X1 Optical Switch, Mechanical Optical Switch Specification

fiberw - Company  Profile-2010
features
applications
low insertion loss
low cross talk
low pdl
high reliability & stability
unmatched low cost
channel blocking
configurable add/drop
system monitoring
instrumentation
performance specification
lb series 1¡Á1 (1310/1550) switch
min
typical
max
unit
operation wavelength range
1260~1360 and/or 1510~1610
nm
insertion loss12
 
 
0.5
db
wavelength dependent loss (wdl)
 
0.10
0.15
db
temperature dependent loss (tdl)
 
0.10
0.20
db
polarization dependent loss (pdl)
 
0.05
0.1
db
cross talk
55
 
 
db
return loss2
55
 
 
db
repeatability
 
 
0.02
db
switching time
 
 
10
ms
operating current3
40
50
60
ma
operating voltage3
4.5
5.0
5.5
vdc
durability
107
 
 
cycles
optical power handing
 
 
500
mw
operating temperature
0
 
70
¡æ
storage temperature
-45
 
85
¡æ
switch type
latching or non latching
 
fiber type
see order information
 
package dimension
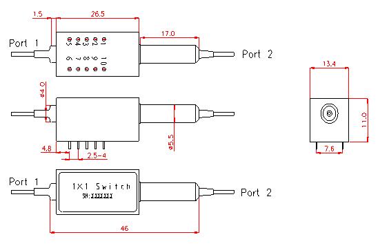
(l)46¡Á(w)13.4¡Á(h)11
mm
note:
*23¡æ over operating wavelength range and all sop.
*excluding connectors.
*a 5v dc, 50ma pulse of 20ms duration is recommended.
mechanical dimensions (unit:mm)
electrical drive
optical path
electrical drive
status sensor
pin1
pin10
pin5
pin6
pin2-3
pin3-4
pin7-8
pin8-9
on
+v pulse
gnd
n/a
n/a
open
close
close
open
off
gnd
+v pulse
n/a
n/a
close
open
open
close
ordering information
sw
type
wavelength
configuration
package
fiber type
fiber length
connector
in/out
 
11=1¡Á1
12=1¡Á2
s=special
3=1310
5=1550
8=1310/1550
s=special
1=standard
s=special
1=standard
s=special
1=smf-28 250um
2=smf-28 900um
s=special
1=0.25m
2=0.5m
3=1.0m
s=special
 
1=none
2=fc/pc
3=fc/apc
4=sc/pc
5=sc/apc
6=st/pc
7=lc
s=special
** You can click 'getOffer' or 'AddToCart' button or contact our sales@fiberw.com to get the formal offer document directly.
** If you are agent / OEM / middle trade, please copy the specification into word document from our website ,then send it to your clients.
 
   1X1 Optical Switch, Mechanical Optical Switch
Welcome to Contact:   Email:sales@fiberw.com ; fiberw@163.com   
Working time: 10:00-12:00   14:00-17:30   21:00-22:00 (Beijing Time)
If not vote,please vote,thanks!
What do you think of us?
Price is good and competitive.
Price need to be lower.
Order is convenient on website.
Order is slow and not convenient on website.
It is trusty.
I need to know more from profile.

  
Print   |    Add in favorite

1X1 Optical Switch, Mechanical Optical Switch

sales5@fiberer.com
Professional Fiber Optic Equipment
www.fiberw.com Copyright