Good Site
products navigation  
Home   |   About us   |    Products   |   Main Market   |   Contact us
    Service Contact
  Email: sales5@fiberer.com
  Wechat: contact Fiberer  josieHe501
contact Fiberer  chxm888
  Tel: +86-755-8695-1926
  : +86-755-8621-1558

   Welcome to contact us,
   your any info is our honour...
      
1x2 Multi Mode Fiberoptic Switch
Name:

1x2 Multi Mode Fiberoptic Switch

Class:
Optical Switches
Type:
1x2 Multi Mode Fiberoptic Switch
1x2 Multi Mode Fiberoptic Switch Specification

fiberw - Company  Profile-2010
features
applications
unmatched low cost
low insertion loss
2 coils latching / no latching
high channel isolation
highly stable and reliable
epoxy-free optical path
optical signal routing
optical network protection/restoration
configurable optical add/drop
transmitter and receiver protection
network test systems
instrumentation
performance specifications
parameter
specification
operating wavelength (nm)
850 ¡À 40 or 1310 ¡À 40
850/1310 ¡À 40
insertion loss (db)
< 0.8 (p grade), <1.0 (a grade)
< 1.0 (p grade), <1.2 (a grade)
wavelength dependent loss
(wdl) (db)
< 0.25
< 0.30
polarization dependent loss (pdl) (db)
< 0.05
cross talk (db)
> 35
return loss (db)
> 35
switching speed (typ.) (ms)
4
operating voltage (v)
5
power handling (mw)
500
durability (cycles)
>10 million
operating temperature (¡ãc)
0 ~ 70
storage temperature (¡ãc)
- 40 ~ 85
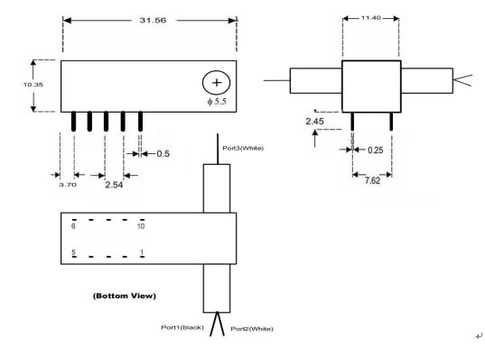
physical dimension (lxwxh) (mm)
31.56 x 11.4 x 10.35
electrical pin configuration:
optical path
electrical drive
status sensor
 
pin 1
pin 5
pin 6
pin 10
pin 2-3
pin 3-4
pin 7-8
pin 8-9
path 1-2
v +
gnd
nc
nc
open
close
close
open
path 1-3
nc
nc
gnd
v+
close
open
open
close
specifications may change without notice
dimensions:
 
ordering information
mms
operating 
wavelength
port
grade
fiber type
pigtail type
in/out connector
 
13=1310¡À40nm
85=850 ¡À40nm
83=850/1310nm
0102=1x2
p = p grade
a = a grade
1 = 50/125
multi-mode
2 = 62.5/125 multi-mode
1=bare fiber
2=900um jacket
0=none
1=fc/apc
2=fc/pc
3=sc/apc
4=sc/pc
5=st
6=lc
 
** You can click 'getOffer' or 'AddToCart' button or contact our sales@fiberw.com to get the formal offer document directly.
** If you are agent / OEM / middle trade, please copy the specification into word document from our website ,then send it to your clients.
 
   1x2 Multi Mode Fiberoptic Switch
Welcome to Contact:   Email:sales@fiberw.com ; fiberw@163.com   
Working time: 10:00-12:00   14:00-17:30   21:00-22:00 (Beijing Time)
If not vote,please vote,thanks!
What do you think of us?
Price is good and competitive.
Price need to be lower.
Order is convenient on website.
Order is slow and not convenient on website.
It is trusty.
I need to know more from profile.

  
Print   |    Add in favorite

1x2 Multi Mode Fiberoptic Switch

sales5@fiberer.com
Professional Fiber Optic Equipment
www.fiberw.com Copyright