Good Site
products navigation  
Home   |   About us   |    Products   |   Main Market   |   Contact us
    Service Contact
  Email: sales5@fiberer.com
  Wechat: contact Fiberer  josieHe501
contact Fiberer  chxm888
  Tel: +86-755-8695-1926
  : +86-755-8621-1558

   Welcome to contact us,
   your any info is our honour...
      
1x8 Optical Switch
Name:

1x8 Optical Switch

Class:
Optical Switches
Type:
1x8 Optical Switch
1x8 Optical Switch Specification

fiberw - Company  Profile-2010
features applications
  • unmatched low cost
  • low insertion loss
  • high channel isolation
  • highly stable and reliable
  • epoxy-free optical path
  • latching
  • configurable optical add/drop
  • optical signal routing
  • optical network protectioni/restoration
  • transmitter and receiver protection
  • network test system
  • instrumentation
 

fiberw ms series switch connects optical channels by redirecting an incoming optical signal into a selected output fiber. this is achieved using a patent pending opto-mechanical proprietary configuration and activated via an electrical control signal. the mechanical operation offers ultra-high reliability and fast switching speed as well as bi-directional performance. the ms fiberoptic switches are true switching solutions for optical networking applications.

performance specifications

parameter

specification

operating wavelength (nm)

1260 ~ 1360 or 1510 ~ 1610

1310/1550¡À40

insertion loss (db)

1.5 (max.)
1.8 (max.)

wavelength dependent loss (wdl) (db)

<0.25

<0.30

polarization dependent loss (pdl) (db)

<0.2

<0.2
repeatibility(db)
<¡À0.05
<¡À0.05
channel cross talk (db)
>55
>55

return loss (db)

>55

switching speed (ms)

25 (max.)

+5 vdc power supply (v)
5 (typ.)
+3.3 vdc power supply (v)
3.3 (typ.)
+5 vdcswitch current (ma)
200 (max.)
digital interface logic
3.3v cmos
power handling (mw)
300
durability (cycles)
10 million

operating temperature(¡ãc)

0 ~ +70

storage temperature (¡ãc)
-40 ~ +85

dimensions (lxwxh) (mm)

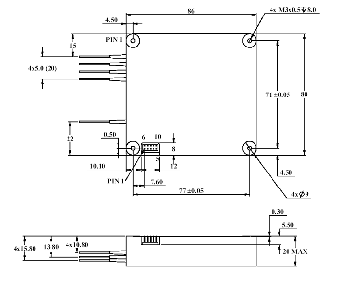
86x80x20

 

 

electrical pin configuration:

pin #
1
2
3
4
5
6
7
8
9
10
name
+5v
gnd
d0
d1
d2
_str
busy
_err
gnd
+3.3v

 

d0
0
1
0
1
0
1
0
1
data input
d1
0
0
1
1
0
0
1
1
d2
0
0
0
0
1
1
1
1
output
chan
1
2
3
4
5
6
7
8

specifications may change without notice

 

dimensions

ordering information

ms

option

operating  wavelength

port

grade

pigtail style

fiber length

in/out connector

l= latching

 

15=1510~1610nm
13=1260~1360nm
35 =1310/1550nm

 

0108=1x8

p=p grade

1=bare fiber
2 =900um jacket

1=1m
2=2m

0=none
1=fc/apc
2=fc/pc
3=sc/apc
4=sc/pc
5=st
6=lc

** You can click 'getOffer' or 'AddToCart' button or contact our sales@fiberw.com to get the formal offer document directly.
** If you are agent / OEM / middle trade, please copy the specification into word document from our website ,then send it to your clients.
 
   1x8 Optical Switch
Welcome to Contact:   Email:sales@fiberw.com ; fiberw@163.com   
Working time: 10:00-12:00   14:00-17:30   21:00-22:00 (Beijing Time)
If not vote,please vote,thanks!
What do you think of us?
Price is good and competitive.
Price need to be lower.
Order is convenient on website.
Order is slow and not convenient on website.
It is trusty.
I need to know more from profile.

  
Print   |    Add in favorite

1x8 Optical Switch

sales5@fiberer.com
Professional Fiber Optic Equipment
www.fiberw.com Copyright