Good Site
products navigation  
Home   |   About us   |    Products   |   Main Market   |   Contact us
    Service Contact
  Email: sales5@fiberer.com
  Wechat: contact Fiberer  josieHe501
contact Fiberer  chxm888
  Tel: +86-755-8695-1926
  : +86-755-8621-1558

   Welcome to contact us,
   your any info is our honour...
      
PM Fiber Collimator
Name:

PM Fiber Collimator

Class:
Collimator/ Faraday Mirror
Type:
PM Fiber Collimator
PM Fiber Collimator Specification

fiberw - Company  Profile-2010
features   applications
  • low insertion loss
  • low back reflection
  • high extinction ratio
 
  • pm isolator
  • laser beam collimating
  • pw wdm
 

performance specifications

parameter
specification

wavelength (nm)

1310+30, 1550+30 or custom wavelength

working distance (mm)

5 or specify

insertion loss (typ. @ 5mm) (db)

0.2

insertion loss (max @5mm.) (db)

0.25

extinction ratio (typ.) (db)

25

extinction rati0 (min. ) (db)

22

return loss (min.)

60

tensile load (n)

5

operating temperature( ¡ã c )

-5 ~ +70

storage temperature ( ¡ã c )

-40 ~ +85

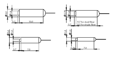
dimensions

see below

fiber type

panda pm or specify


 

package dimensions

slow axis orientation

ordering information

pmc
lens diameter
pigtail type
center wavelength.
package type
working distance

1=1.8mm 2=1.0mm (for single fiber only) s=specify

1=single fiber

2=dual fiber s=specify

3=1310 nm 5=1550nm s=specify
1=metal holder 2=glass holder
05=5mm 10=10mm s=specify
pigtail style
slow axis oreintation
fiber length
connector type
1=bare fiber s=specify
o=single fiber i,h,t=dual fiber (refer to figure) s=specify
c=1.25m s=specify

0=none
1=fc/apc
2=fc/pc
3=sc/apc
4=sc/pc
5=st
6=lc

** You can click 'getOffer' or 'AddToCart' button or contact our sales@fiberw.com to get the formal offer document directly.
** If you are agent / OEM / middle trade, please copy the specification into word document from our website ,then send it to your clients.
 
   PM Fiber Collimator
Welcome to Contact:   Email:sales@fiberw.com ; fiberw@163.com   
Working time: 10:00-12:00   14:00-17:30   21:00-22:00 (Beijing Time)
If not vote,please vote,thanks!
What do you think of us?
Price is good and competitive.
Price need to be lower.
Order is convenient on website.
Order is slow and not convenient on website.
It is trusty.
I need to know more from profile.

  
Print   |    Add in favorite

PM Fiber Collimator

sales5@fiberer.com
Professional Fiber Optic Equipment
www.fiberw.com Copyright