Good Site
products navigation  
Home   |   About us   |    Products   |   Main Market   |   Contact us
    Service Contact
  Email: sales5@fiberer.com
  Wechat: contact Fiberer  josieHe501
contact Fiberer  chxm888
  Tel: +86-755-8695-1926
  : +86-755-8621-1558

   Welcome to contact us,
   your any info is our honour...
      
PM Mechanical Switch (1x2)
Name:

PM Mechanical Switch (1x2)

Class:
Polarization Maintaining(PM)
Type:
PM Mechanical Switch (1x2)
PM Mechanical Switch (1x2) Specification

fiberw - Company  Profile-2010
features applications
  • high extinction ratio
  • low insertion loss
  • high channel isolation
  • highly stable and reliable
  • epoxy-free optical path
  • optical signal routing
  • network test systems
  • instrumentation
 

fiberw pms series switch connects optical channels by redirecting an incoming optical signal into a selected output fiber. this is achieved using a patent pending opto-mechanical configuration and activated via an electrical control signal. at the same time, the polarization state of the signal is preserved.

performance specifications

parameter

specification

operating wavelength (nm)

1310, 1550

insertion loss (db)

<0.8

wavelength dependent loss (db)

<0.15

extinction ratio (db)

>18 (typ.20)
channel cross talk (db)
>55
repeatability (db)
¡À0.02

return loss (db)

>50

switching speed (ms)

<10 (typ.4)

drive voltage (v)

5

power handling (mw)
500
durability (cycles)
10 million

operating temperature (¡ãc)

0 ~ +70

storage temperature(¡ãc)
-40 ~ +85
fiber type
panda pm fiber

dimensions (lxwxh) (mm)

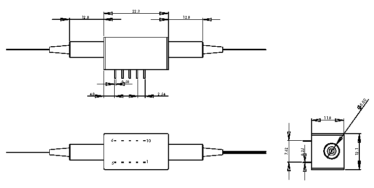
22.3x12x10

 

 

electrical pin configuration:

optical path
port1 - port2
port1 - port3
electric drive
latching
pin1
pin10
pin1
pin10
 
v+
gnd
gnd
v+
sensor status
latching
pin2-3, pin8-9 open
pin2-3, pin8-9 close
pin3-4, pin7-8 close
pin3-4, pin7-8 open

specifications may change without notice

 

 

dimensions (mm)

dimmension of mechanical switch 1x2

 

ordering information

pms
 

option

operating  wavelength

port

grade

pigtail style

fiber length

in/out connector

l= latching

 

 

15=1550nm

13=1310nm

 

0102=1x2

p=p grade

1= bare fiber

2=900um jacket

1=1m

2=2m

0=none
1=fc/apc
2=fc/pc
3=sc/apc
4=sc/pc
5=st
6=lc

** You can click 'getOffer' or 'AddToCart' button or contact our sales@fiberw.com to get the formal offer document directly.
** If you are agent / OEM / middle trade, please copy the specification into word document from our website ,then send it to your clients.
 
   PM Mechanical Switch (1x2)
Welcome to Contact:   Email:sales@fiberw.com ; fiberw@163.com   
Working time: 10:00-12:00   14:00-17:30   21:00-22:00 (Beijing Time)
If not vote,please vote,thanks!
What do you think of us?
Price is good and competitive.
Price need to be lower.
Order is convenient on website.
Order is slow and not convenient on website.
It is trusty.
I need to know more from profile.

  
Print   |    Add in favorite

PM Mechanical Switch (1x2)

sales5@fiberer.com
Professional Fiber Optic Equipment
www.fiberw.com Copyright